凌控導讀:針對自動化設備中經常出現的控制液體噴涂出現的問題,本文講述了一種無需停止循環即可補液外加液體噴涂與停止實時可控的方法,自成一個獨立的小循環系統,可以方便的應用于各種液體的噴涂控制中。
	0 引言
	大氣壓強與生產、生活有著密切的關系,它是無處不有,無處不在;離開了它,將一事無成,人也無法生活歐姆龍 的的確確的現實情況,我們如何利用它為我們的生產、生活服務呢?這是我們需要思考的問題歐姆龍 [1]
	1 應用現狀
	在研發一款新型設備時,遇到一個問題,就是將液體定速定量的從一個小噴頭噴灑出去,按照傳統的方式,把液體裝入一個密閉容器里面,充滿帶有壓力的空氣,然后與連接噴頭的管路間加裝控制用電磁閥,需要噴時,打開控制用電磁閥即可實現液體噴涂 雖然這是一種實現的方法,而且也比較簡單,但隨之而來的問題是,當液體用完后,再次加裝液體時,需要提前釋放高壓空氣,這就影響了噴涂系統的連續運行,需加裝液體后,再次接通壓縮空氣,才能投入使用液體噴涂 
	能否有一種方法,來實現不用停止現有的系統使用狀態,待液體量不足時,直接添加液體就行呢?答案當然是肯定有的,下面我們就來看看這種方法是如何實現的,如何巧妙的利用大氣壓力的作用的液體噴涂 
	2 工作原理
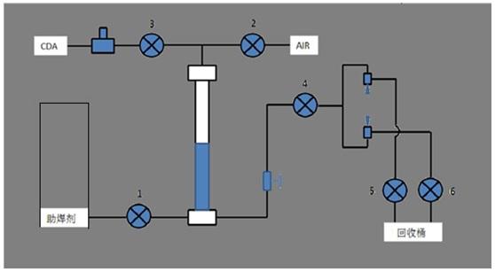
	如圖1所示液體控制系統原理圖,圖中的液體以助焊劑為例,助焊劑的容器桶與中間的暫存試管高度是差不多的,起始情況下,每個電磁閥全部為關閉狀態,開始工作時,首先打開1#閥和2#閥,此時液體在大氣壓的作用下,在暫存試管內液位升高到與容器桶里面的液位相同的高度,等待約1秒鐘,此時關閉1#閥和2#閥,打開3#電磁閥,3#電磁閥的前端通有CDA(壓縮空氣)并帶有調壓閥來控制噴涂壓力的大小,此時因為1#和2#閥是關閉狀態,3#閥打開后,CDA的壓力會進來,直接施加到助焊劑的液面上,也就是暫存試管的上液表面,如果保持現有狀態,則助焊劑不會噴出,也不會減少,在使其正常工作前,我們還要想做到讓液體隨時受到控制,就是即時噴和即時停止,如何實現呢?在保持暫存試管里面的壓力下,打開4#、5#和6#電磁閥,這時,助焊劑被壓力循環起來,通過過濾器,過4#閥,進而到噴頭部,由于5#和6#兩個用于回收的電磁閥同時打開著,所以助焊劑在噴頭處不做停留,直接通過5#和6#閥回到回收桶里面,在有限的時間里面形成一個助焊劑的小循環,如果需要噴助焊劑的話,關閉5#閥,上噴頭會形成噴液,關閉6#閥,下噴頭會形成噴液,如果想停止噴液的話,只需再行打開5#或6#電磁閥即可控制 每噴液一次,需要補液一次,以保證噴液的壓力和均勻性,這樣周而復使,形成循環,實現助焊劑噴涂的小循環控制系統,達到液體相對實時可控的目的控制 
	在實際使用中,回收桶和助焊劑的盛放桶可以共用一個,這樣的話,除了從噴頭噴出的液體流失外,其余的液體是完全可以重復利用的,達到減少用量的目的控制 
	
	圖1.液體控制系統原理圖
	3 系統特點及程序實現
	此款液體控制系統的特點有以下四點:
	1、     運用大氣壓的作用補液,僅噴涂時需要CDA的動力;
	2、     引入液體回收功能,最大量的節約液體的用量;
	3、     回收閥和控制閥盡量與噴頭縮短距離,以達到液體實時可控的目的;
	4、     各個電磁閥需選用功率小,動作靈活快速反應的高頻閥,以縮短響應時間。
	下面我們用歐姆龍的CP1H來實現上述液體控制的方法,順控程序如圖2、圖3、圖4所示,輸出信號如圖5、圖6所示。[2]
	
	圖2.液體控制系統程序實現1
	
	圖3.液體控制系統程序實現2
	
	圖4.液體控制系統程序實現3
	
	圖5.液體控制系統程序輸出1
	
	圖6.液體控制系統程序輸出2
	4 應用情況
	當然,在實際使用時,調試階段,還需要考慮一些細節的問題,比如管徑的粗細配合、壓縮空氣壓力的大小等,包括一些時間參數的設置都是通過觸摸屏的輸入裝置來實現的,最終調試出最優的效果,達到生產使用的目的。
	目前,此系統已經廣泛應用于自動化噴涂設備中,且運行情況良好!如圖7、圖8所示。
	
	圖7.噴頭部分實物圖
	
	圖8.液體補給部分實物圖
	5 結束語
	在自動化設備的研發過程中,會有各種各樣的小技巧,學會總結并應用這些小技巧,對我們的研發工作會起到事半功倍的效果,大家不妨都來總結并發表一下,互相交流學習吧!