凌控導讀:隨著各行各業對節能減排的需求,以及成本要求越來越高,降低機械設備生產用電也隨之增加,節能減排成了一個重要的課題。空壓機集中控制系統在工廠的應用,可更好的控制空壓機的開機和關機等時間管理,根據實際的工況自動控制每個空壓機系統,降低用電的費用,以達到降低人工成本,同時提高效率的目的遠程監控
	摘要:為了提高空壓機運行的管理,降低用電和人工費用,研制出空壓機遠程自動監控系統遠程監控 整套集中控制系統能實現對空壓機實時監視、協調及控制,可極大提高生產管理的自動化水平空壓機 
	1、背景簡介
	  隨著各行各業對節能減排的需求,以及成本要求越來越高,降低機械設備生產用電也隨之增加,節能減排成了一個重要的課題空壓機 空壓機集中控制系統在工廠的應用,可更好的控制空壓機的開機和關機等時間管理,根據實際的工況自動控制每個空壓機系統,降低用電的費用,以達到降低人工成本,同時提高效率的目的空壓機   
	2、應用說明
	  應用功能描述
	
	  整體結構圖上圖所示,整個結構分成兩層,上半部分是智能監控層,下半部分是現場設備層CP1E 智能監控層由PC工控機組成,安裝在計算機房中,用來采集空壓機的各個運行參數,同時遠程監視空壓機以及自動放水裝置CP1E 現場設備層由4個空壓機和1個OMRON的CP1E控制的自動裝置組成,CP1E控制柜,根據現場工況的需求,自動控制空壓機的運轉情況CP1E 
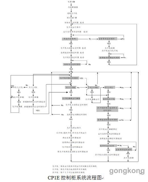
	    CP1E自動控制柜可以對使用中的空壓機進行集中控制和管理,從而使壓縮機的運行和維修管理變得更加容易,更加方便。CP1E控制柜根據客戶用氣量的變化,對空壓機的運行臺數進行最佳選擇并控制運行,從而保證客戶用氣量的穩定性。
	    在某一個空壓機發生故障停機時,CP1E控制柜可以自動啟動待機中的空壓機并運行,從而減少了人為發現不了的供氣不足的狀態。
	  CP1E控制柜還具有無休止循環運行機能,可對各空壓機的運行時間和啟動次數進行控制,實現運行時間和啟動次數的均衡化,使能量的損失更少,容量和臺數控制運行的效率更高。如下圖示CP1E控制柜和空壓機連接示意圖,必須將CP1E控制柜的壓力信號采集在儲氣罐上,以便于CP1E控制柜采集到更加準確的壓力信號,方便有效集中控制每個空壓機的運轉。
	
工藝流程說明:
	
	  系統需要分析:公司一直致力于空壓機周邊系統的開發和研究,已經有30多年的經驗可以依賴,有第一代的儀表和繼電器控制,采用更加智能的CP1E的PLC控制,可以更好提升自己產品的質量和知名度,推廣起來更加方便,從而在成本上也有效的控制起來,實現客戶和自己的雙贏。
	三、應用的設計與實現
	  CP1E控制程序說明:操作簡單,采用彩色觸摸屏界面,頁面設定更加簡單和清晰。CP1E控制柜具有10種功能,可以實現客戶空壓機無休止循環控制、跨越控制、卸載繼續停止、初始充壓運行、瞬間停電對應、停止時自動復位、周計劃定時、內部定時切換、變頻機單獨運行、圖表自動采集顯示燈功能。
	應用設備圖片展示
	
監控機房
	
監控軟件頁面
	