凌控導讀:由于起重機各個機構電氣配置不盡相同,對于關鍵機構,大車運行機構,因為拖動需求設置電動機數量偏多,而且要求兩側運行實時達到平衡之要求。所以起重機單獨機構在特定需求下,也可以考慮單獨PLC控制,已達到控制性能要求。
由于起重機各個機構電氣配置不盡相同,對于關鍵機構,大車運行機構,因為拖動需求設置電動機數量偏多,而且要求兩側運行實時達到平衡之要求三菱PLC 所以起重機單獨機構在特定需求下,也可以考慮單獨PLC控制,已達到控制性能要求三菱PLC
一、三菱小型PLC選擇
三菱小型PLC系列種類繁多,因每種品牌配置不一樣,所以它的選型方式也有所差異起重機
1、控制要求
大車運行機構有8只11KW的變頻電動機同時驅動,兩側各有4只電動機分布組裝,其中各有一只電動機安裝光電編碼器,和安川變頻器構成V/F+PG閉環控制系統起重機 大車運行機構驅動特點要求,運行平穩且兩側運行偏差誤差不超過±3%S(S為起重機大車軌道中心線長度)起重機 為安全起見,大車運行機構設置運行報警指示和訊響提示。大車運行機構對PLC控制系統的要求是,通過PLC輸出控制2只變頻器,完成10%,20%,30%,50%,100%的五檔無級調速要求,并具有電動機超載、過流保護,移動行程終端保護,編碼器斷線保護,制動單元過熱保護等保護措施。
2、確定plc的輸入/輸出設備
根據系統的控制要求,確定系統所需的全部輸入設備:大車啟動接觸器反饋、大車運行左中繼、大車運行右中繼、極限開關、變頻器反饋(故障、零速、力矩)和電動機熱繼電器等;輸出設備:中繼、信號指示燈。有PLC有關的輸入/輸出設備,以確定PLC的I/O點數。并留有10%-20%余量。
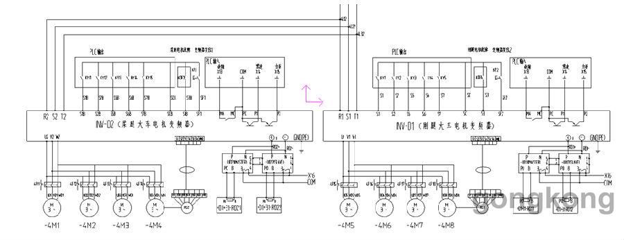
3、plc分配I/O點以及PLC外圍硬件線路原理圖(圖1)
	 
圖1:PLC1/O點以及外圍接線原理圖
二、PLC和變頻器控制系統原理圖
1、變頻器配置
為配合大車運行機構工藝要求,兩側支腿分開用2只功率大小相同的變頻器控制,每只變頻器各驅動4只11KW變頻電動機,電動機散熱風機單獨控制,為防止每只電動機過載,在每臺電動機主回路設置過熱保護繼電器,過熱繼電器觸點發聵到PLC輸入回路,檢測電動機是否過熱,已發出動作指令。
變頻器為安川F7系列,要求V/F+PG控制模式,制動單元外接制動電阻。
2、變頻器總控制原理圖(圖2)
	 
圖2:變頻器接線原理圖
三、變頻器參數設定
	 
	 
四、PLC程序編制
	 
	

	 
	 